网站首页
关于达风
产品中心
应用方案
服务与支持
新闻资讯
加入我们
联系我们
网站首页
关于达风
产品中心
应用方案
服务与支持
新闻资讯
加入我们
联系我们
企业概况
发展历程
荣誉资质
企业文化
车削类系统
铣削类系统
多通道系统
磨床专用系统
齿轮加工系统
通用自动化控制器
机器人控制系统
伺服驱动及电机
扩展模块&转接板
车床相关
铣床相关
磨床相关
多通道专机
齿轮加工
自动上下料
其他
售后服务
服务网络
资料下载
选型资料
系统手册
驱动手册
产品尺寸图
参考接线图
软件工具
其它
常见问题
咨询&提问
简明调试
公司新闻
产品动态
人才理念
校企合作
人才招聘
员工风采
售后服务
服务网络
资料下载
常见问题
咨询&提问
--> 简明调试
服务与支持
售后服务
服务网络
资料下载
选型资料
系统手册
当前热销
经典机型
已停产
驱动手册
通用型伺服
主轴伺服
组合型伺服
已停产
产品尺寸图
参考接线图
软件工具
其它
常见问题
咨询&提问
简明调试
简明调试
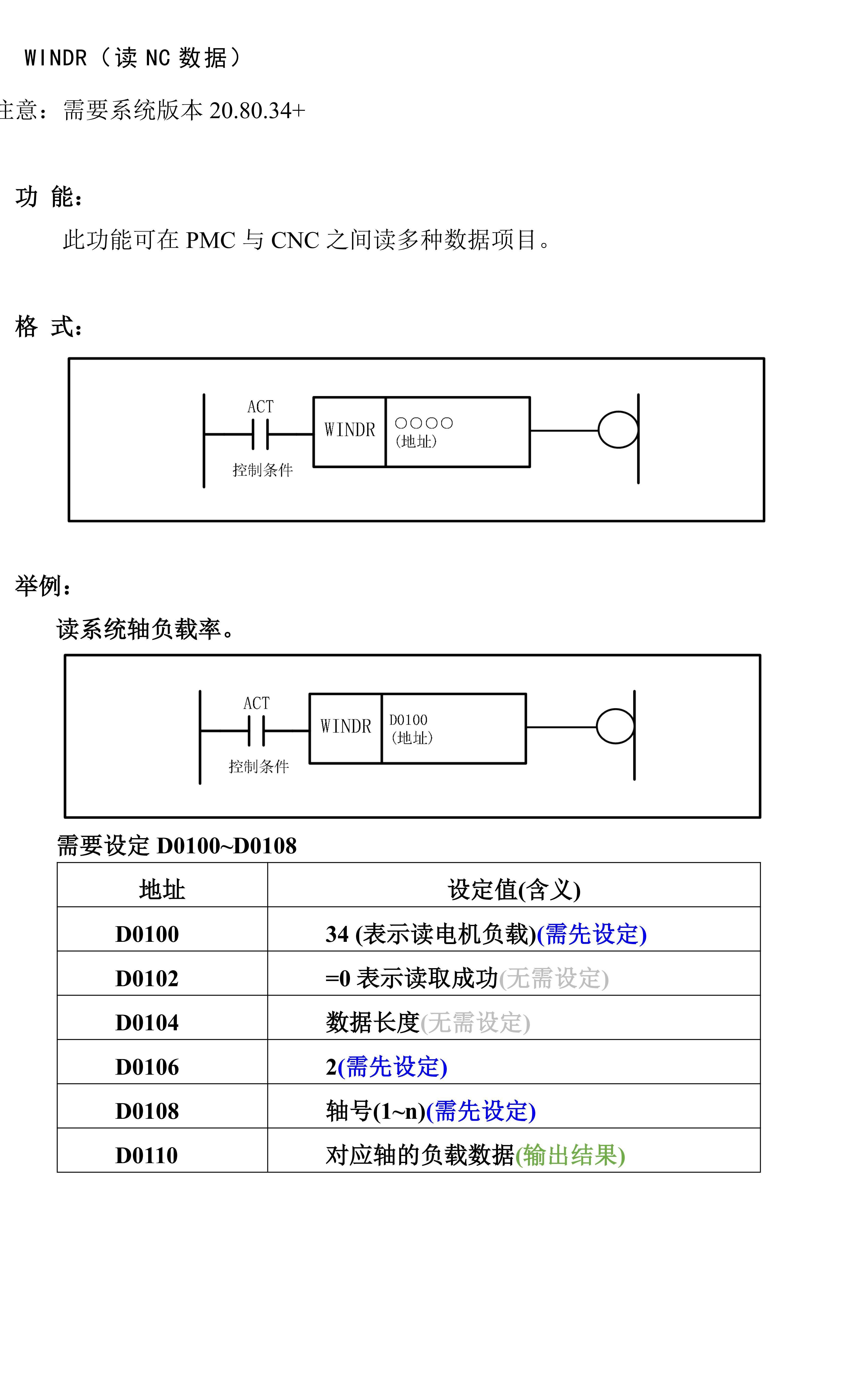
读系统数据:
关于达风
企业概况
发展历程
荣誉资质
企业文化
产品中心
车削类系统
铣削类系统
多通道系统
磨床专用系统
齿轮加工系统
通用自动化控制器
机器人控制系统
伺服驱动及电机
扩展模块&转接板
应用方案
车床相关
铣床相关
磨床相关
多通道专机
齿轮加工
自动上下料
其他
服务与支持
售后服务
服务网络
资料下载
常见问题
咨询&提问
简明调试
新闻资讯
公司新闻
产品动态
加入我们
人才理念
校企合作
人才招聘
员工风采
服务热线:
025-52793382
地址:南京市江宁区福英路1001号
联东U谷50栋5楼
总机:025-52793382
传真:025-52793382
邮箱:wind@windcnc.com
copyright @ 2020 南京达风数控技术有限公司 电话:025-52793382 地址:南京市江宁区福英路1001号联东U谷50栋5楼
南京达风数控技术有限公司2020 025-52793382